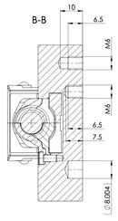
Description
ZSGMINI.ZS.OSB.70.80 CENTRIC VICE CGM.199.001.01 MODIFIED
Mat No: 9200050896, Article No: CGM.199.001.01
C3 70 L-80 Special Similar to CGM.070.002.01 or
ZSGMINI.ZS.OSB.70.80 CENTRIC VICE 8091207000 (0650371)
but with interface for 3R Macro pallet system.
Technical data: - Clamping force: max. 16 kN
Dimension: 80x70x20 mm (without jaws)
Weight: approx. 1 kg
Scope of delivery: - without system jaws - without fixing materials
